PART 4



Structural_Description_of_Hardware














Structural_specification.basic_components















Structural...basic_components.syntax_details
















Structural...single_bit_comparator.logic_design















Structural...single bit comparator.logic_design
















Structural...single_bit_comparator.aspect_notation















Structural...single_bit_comparator.description



ENTITY bit_comparator IS
PORT (a, b, -- data inputs
gt, -- previous greater than
eq, -- previous equal
lt : IN BIT; -- previous less than
a_gt_b, -- greater
a_eq_b, -- equal
a_lt_b : OUT BIT); -- less than
END bit_comparator;

--
ARCHITECTURE gate_level OF bit_comparator IS
. . .
BEGIN
. . .
END gate_level;













Structural...single_bit_comparator.description



ENTITY bit_comparator IS
. . .
END bit_comparator;
--
ARCHITECTURE gate_level OF bit_comparator IS
COMPONENT n1 PORT (i1: IN BIT; o1: OUT BIT); END COMPONENT;
COMPONENT n2 PORT (i1, i2: IN BIT; o1: OUT BIT); END COMPONENT;
COMPONENT n3 PORT (i1, i2, i3: IN BIT; o1: OUT BIT);
END COMPONENT;
FOR ALL : n1 USE ENTITY WORK.inv (single_delay);
FOR ALL : n2 USE ENTITY WORK.nand2 (single_delay);
FOR ALL : n3 USE ENTITY WORK.nand3 (single_delay);
-- Intermediate signals
SIGNAL im1,im2, im3, im4, im5, im6, im7, im8, im9, im10 : BIT;
BEGIN
-- a_gt_b output
g0 : n1 PORT MAP (a, im1);
g1 : n1 PORT MAP (b, im2);
g2 : n2 PORT MAP (a, im2, im3);
g3 : n2 PORT MAP (a, gt, im4);
g4 : n2 PORT MAP (im2, gt, im5);
g5 : n3 PORT MAP (im3, im4, im5, a_gt_b);
-- a_eq_b output
g6 : n3 PORT MAP (im1, im2, eq, im6); g7 : n3 PORT MAP (a, b, eq, im7);
g8 : n2 PORT MAP (im6, im7, a_eq_b);
-- a_lt_b output
g9 : n2 PORT MAP (im1, b, im8);
g10 : n2 PORT MAP (im1, lt, im9);
g11 : n2 PORT MAP (b, lt, im10);
g12 : n3 PORT MAP (im8, im9, im10, a_lt_b);
END gate_level;













Structural...single_bit_comparator.syntax_details















Structural...iterative_wiring.logic_diagram















Structural...iterative_wiring.logic_diagram



3 2 1 0
_______________________________________________________
A: 0 1 0 0 result propagates from bit 1
B: 0 1 1 0
_______________________________________________________

A: 1 0 1 1 bit 3 produces the result immediately
B: 0 0 1 1
_______________________________________________________













Structural...iterative_wiring.aspect_notation



<













Structural...iterative_wiring.aspect_notation
















Structural...iterative_wiring.VHDL_description



ENTITY nibble_comparator IS
PORT (a, b : IN BIT_VECTOR (3 DOWNTO 0); -- a and b data inputs
gt, -- previous greater
eq, -- previous equal
lt : IN BIT; -- previous less than
a_gt_b, -- a > b
a_eq_b, -- a = b
a_lt_b : OUT BIT); -- a < b
END nibble_comparator;
--
ARCHITECTURE iterative OF nibble_comparator IS
COMPONENT comp1
PORT (a, b, gt, eq, lt : IN BIT; a_gt_b, a_eq_b, a_lt_b : OUT BIT);
END COMPONENT;
FOR ALL : comp1 USE ENTITY WORK.bit_comparator (gate_level);
SIGNAL im : BIT_VECTOR ( 0 TO 8);
BEGIN
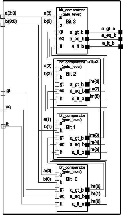
c0: comp1 PORT MAP (a(0), b(0), gt, eq, lt, im(0), im(1), im(2));
c1to2: FOR i IN 1 TO 2 GENERATE
c: comp1 PORT MAP (a(i), b(i), im(i*3-3), im(i*3-2), im(i*3-1),
im(i*3+0), im(i*3+1), im(i*3+2) );
END GENERATE;
c3: comp1 PORT MAP (a(3), b(3), im(6), im(7), im(8),
a_gt_b, a_eq_b, a_lt_b);
END iterative;













Structural...iterative_wiring.VHDL_description



ARCHITECTURE iterative OF nibble_comparator IS
COMPONENT comp1
PORT (a, b, gt, eq, lt : IN BIT; a_gt_b, a_eq_b, a_lt_b : OUT BIT);
END COMPONENT;
FOR ALL : comp1 USE ENTITY WORK.bit_comparator (gate_level);
SIGNAL im : BIT_VECTOR ( 0 TO 8);
BEGIN
c0: comp1 PORT MAP (a(0), b(0), gt, eq, lt, im(0), im(1), im(2));
c1to2: FOR i IN 1 TO 2 GENERATE
c: comp1 PORT MAP (a(i), b(i), im(i*3-3), im(i*3-2), im(i*3-1),
im(i*3+0), im(i*3+1), im(i*3+2) );
END GENERATE;
c3: comp1 PORT MAP (a(3), b(3), im(6), im(7), im(8),
a_gt_b, a_eq_b, a_lt_b);
END iterative;














Structural...iterative_wiring.syntax_details















Structural...iterative_wiring.VHDL_description



ARCHITECTURE iterative OF nibble_comparator IS
COMPONENT comp1
PORT (a, b, gt, eq, lt : IN BIT; a_gt_b, a_eq_b, a_lt_b : OUT BIT);
END COMPONENT;
FOR ALL : comp1 USE ENTITY WORK.bit_comparator (gate_level);
CONSTANT n : INTEGER := 4;
SIGNAL im : BIT_VECTOR ( 0 TO (n-1)*3-1);
BEGIN
c_all: FOR i IN 0 TO n-1 GENERATE
l: IF i = 0 GENERATE
least: comp1 PORT MAP (a(i), b(i), gt, eq, lt, im(0), im(1), im(2) );
END GENERATE;
m: IF i = n-1 GENERATE
most: comp1 PORT MAP (a(i), b(i),
im(i*3-3), im(i*3-2), im(i*3-1), a_gt_b, a_eq_b, a_lt_b);
END GENERATE;
r: IF i > 0 AND i < n-1 GENERATE
rest: comp1 PORT MAP (a(i), b(i),
im(i*3-3), im(i*3-2), im(i*3-1), im(i*3+0), im(i*3+1), im(i*3+2) );
END GENERATE;
END GENERATE;
END iterative;














Structural...test_bench.test_environment















Structural...testbench.VHDL_description



ARCHITECTURE input_output OF nibble_comparator_test_bench IS
COMPONENT comp4 PORT (a, b : IN bit_vector (3 DOWNTO 0);
a_gt_b, a_eq_b, a_lt_b : IN BIT;
a_gt_b_out, a_eq_b_out, a_lt_b_out : OUT BIT);
END COMPONENT;
FOR a1 : comp4 USE ENTITY WORK.nibble_comparator(iterative);
SIGNAL a, b : BIT_VECTOR (3 DOWNTO 0);
SIGNAL eql, lss, gtr, gnd : BIT; SIGNAL vdd : BIT := '1';
BEGIN
a1: comp4 PORT MAP (a, b, gnd, vdd, gnd, gtr, eql, lss);
a2: a <= "0000", ---- a = b (steady state)
"1111" AFTER 0500 NS, -- a > b (worst case)
"1110" AFTER 1500 NS, -- a < b (worst case)
"1110" AFTER 2500 NS, -- a > b (need bit 1 info)
"1010" AFTER 3500 NS, -- a < b (need bit 2 info)
"0000" AFTER 4000 NS, -- a < b (steady state, prepare for next)
"1111" AFTER 4500 NS, -- a = b (worst case)
"0000" AFTER 5000 NS, -- a < b (need bit 3 only, best case)
"0000" AFTER 5500 NS, -- a = b (worst case)
"1111" AFTER 6000 NS; -- a > b (need bit 3 only, best case)
a3 : b <= "0000", ---- a = b (steady state)
"1110" AFTER 0500 NS, -- a > b (worst case)
"1111" AFTER 1500 NS, -- a < b (worst case)
"1100" AFTER 2500 NS, -- a > b (need bit 1 info)
"1100" AFTER 3500 NS, -- a < b (need bit 2 info)
"1101" AFTER 4000 NS, -- a < b (steady state, prepare for next)
"1102" AFTER 4500 NS, -- a = b (worst case)
"1103" AFTER 5000 NS, -- a < b (need bit 3 only, best case)
"1104" AFTER 5500 NS, -- a = b (worst case)
"1105" AFTER 6000 NS; -- a > b (need bit 3 only, best case)
END input_output;













Structural...testbench.results





Testbench => nibble_comparator => bit_comparator => gates...
- nibble comparator activates bit_comparator
- bit comparator activates its primitive gate
- last 2 steps repeat while there are activities











Structural...latch_design.single_bit_SR_latch















Structural...latch_design.single_bit_SR_latch



ARCHITECTURE fast_single_delay OF nand2 IS
BEGIN o1 <= i1 NAND i2 AFTER 3 NS;
END fast_single_delay;

ARCHITECTURE gate_level OF sr_flipflop IS
COMPONENT n2 PORT (i1, i2: IN BIT; o1: OUT BIT); END COMPONENT;
FOR g1, g3 : n2 USE ENTITY WORK.nand2 (fast_single_delay);
FOR g2, g4 : n2 USE ENTITY WORK.nand2 (single_delay);
SIGNAL im1, im2, im3, im4 : BIT;
BEGIN
g1 : n2 PORT MAP (s, c, im1); g3 : n2 PORT MAP (im1, im4, im3);
g2 : n2 PORT MAP (r, c, im2); g4 : n2 PORT MAP (im3, im2, im4);
q <= im3;
END gate_level;













Structural...latch_design.single_bit_SR_latch





ARCHITECTURE gate_level OF sr_flipflop IS
COMPONENT n2 PORT (x, y: IN BIT; z: OUT BIT); END COMPONENT;
FOR g1, g3 : n2
USE ENTITY WORK.nand2 (single_delay) PORT MAP (x, y, z);
FOR g2, g4 : n2
USE ENTITY WORK.nand3 (single_delay) PORT MAP (x, x, y, z);
SIGNAL im1, im2, im3, im4 : BIT;
BEGIN
g1 : n2 PORT MAP (s, c, im1); g3 : n2 PORT MAP (im1, im4, im3);
g2 : n2 PORT MAP (r, c, im2); g4 : n2 PORT MAP (im3, im2, im4);
q <= im3;
END gate_level;













Structural...latch design.single_bit_SR_latch



ARCHITECTURE gate_level OF sr_flipflop IS
COMPONENT n2 PORT (x, y: IN BIT; z: OUT BIT); END COMPONENT;
FOR g1, g3 : n2
USE ENTITY WORK.nand2 (single_delay) PORT MAP (x, y, z);
FOR g2, g4 : n2
USE ENTITY WORK.nand3 (single_delay) PORT MAP (x, x, y, z);
SIGNAL im1, im2, im3, im4 : BIT;
BEGIN
g1 : n2 PORT MAP (s, c, im1); g3 : n2 PORT MAP (im1, im4, im3);
g2 : n2 PORT MAP (r, c, im2); g4 : n2 PORT MAP (im3, im2, im4);
q <= im3;
END gate_level;













Structural...old_new_comparator.latch_design.d_latch



ASSEMBLING PARTS FOR A NEW DESIGN

ENTITY d_latch IS PORT(d,c : IN BIT;q: OUT BIT); END d_latch;
--
ARCHITECTURE sr_based OF d_latch IS
COMPONENT sr_latch PORT (s, r, clk : IN BIT; q : OUT BIT);
END COMPONENT;
COMPONENT inv_t PORT (i1 : IN BIT; o1 : OUT BIT);
END COMPONENT;
SIGNAL dbar: BIT;
BEGIN
c1 : sr_latch PORT MAP (d, dbar, c, q);
c2 : inv_t PORT MAP (d, dbar);
END sr_based;



In the sr_based ARCHITECTURE of d_latch:











Structural...old_new_comparator.latch_design



ENTITY byte_latch IS
PORT (di : IN BIT_VECTOR (3 DOWNTO 0);
clk : IN BIT; qo : OUT BIT_VECTOR( 3 DOWNTO 0));
END byte_latch;
--
ARCHITECTURE iterative OF byte_latch IS
COMPONENT d_latch
PORT (d, c : IN BIT; q : OUT BIT);
END COMPONENT;
BEGIN
g : FOR i IN di'RANGE GENERATE
L7DT0 : dlatch PORT MAP (di(i), clk, qo(i));
END GENERATE;
END iterative;













Structural...old_new_comparator.system_wiring



ENTITY old_new_comparator IS
PORT (i : IN BIT_VECTOR (7 DOWNTO 0);
clk : IN BIT; compare : OUT BIT);
END old_new_comparator;
--
ARCHITECTURE wiring OF old_new_comparator IS
COMPONENT latch PORT (di : IN BIT_VECTOR (7 DOWNTO 0);
clk : IN BIT; qo : OUT BIT_VECTOR (7 DOWNTO 0));
END COMPONENT;
COMPONENT byte_comparator
PORT(a, b : BIT_VECTOR (7 DOWNTO 0);
gt, eq, lt : IN BIT; a_gt_b, a_eq_b, a_lt_b : OUT BIT);
END COMPONENT;
SIGNAL con1 : BIT_VECTOR (7 DOWNTO 0);
SIGNAL vdd : BIT := '1'; SIGNAL gnd : BIT := '0';
BEGIN
l : latch PORT MAP(i, clk, con1);
c : byte_comparator
PORT MAP(con1, i, gnd, vdd, gnd, OPEN, compare, OPEN);
END wiring;













Structual.._conclusion



1. Outline: Introduction, Organization, Outline

2. Review: Behavioral description, Using process statements, Top-down design, Using available components, Wiring predefined components, Wiring from bottom to top, Generation of testbench data, Using procedures

3. VHDL_Timing: Modeling requirements, Objects & classes, Signals & variables, Concurrent & sequential assignments, Events, transactions & delta delays, Delay modeling, Sequential placement of transactions, Conventions

4. Structural_Description_of_Hardware: Wiring parts into larger designs, Start with primitives, Wire gates into general purpose components, Use iterative constructs, Generate testbenches, Show binding alternatives, Use gate-based components for a larger design

5. Design_Organization: Subprograms, Packaging, Parameter specification, Parametrization, Top level configuration, Design libraries, A complete example

6. Utilities_for_high_level_descriptions: Language aspects, Types, Over loading subprograms operators, Predefined Attributes, User defined attributes

7. Dataflow: Constructs for dataflow descriptions, Multiplexing and clocking, Multiple assignments, State machines, Open collector gates, A complete dataflow example, Load dependent timing

8. Behavioral_Descriptions: Constructs for sequential descriptions, Assertion for behavioral checks, Handshaking constructs, Timing control, Formatted I/O, MSI parts, A complete MSI based design

9. STANDARDS: MVL9: logic value system, Logic type, Operators, Conversions; VHDL'93: Operators, Delay model, Instantiation, Binding, Attributes, Signal assignments, Report, Postponed process






to the top of the Document