Step 3: Instantiate the altsyncram Megafunction in the Design

To instantiate the altsyncram megafunction in the design, follow these steps:

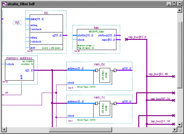
  1. In the Symbol dialog box, click OK. An outline of the ram_0c symbol is attached to the pointer.

  2. To place the symbol in the correct location, click the empty space to the right of the q[3..0] output node line of the memory_address symbol in the Block Editor window.

  3. Show Me
    ram_0c Symbol

    ram_0c Symbol

  4. Choose Save (File menu).


To continue the tutorial, proceed to Section 6: Create & Instantiate a Multiply-Add Megafunction.