Step 1: Make Bus Connections

To make bus connections between symbols, follow these steps:

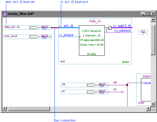
  1. With the Selection and Smart Drawing Tool, click the pinstub of the data_in[1..0] input pin to define the start of the bus, and then drag the pointer to draw a line that connects to the rx_in[1..0] input port of the lvds_in symbol.

  2. NOTE Aligning the symbols with node and bus lines as described in the preceding topics and illustrations creates many of the necessary node and bus connections automatically.

    Show Me
    Bus Connection

    Bus Connection

  3. Repeat step 1 to make the additional bus connections between the symbols shown in the following table:

  4. Make Bus Connection From: To:
    rx_out[15..0] output port of lvds_in symbol data[15..0] input port of fifo symbol.
    q[15..0] output port of fifo symbol shiftin[15..0] input port of tap symbol
    taps[63..0] output port of tap symbol tap_bus[63..0] bus line
    q[3..0] output port of memory_address symbol address[3..0] input port of ram_0c symbol
    q[15..0] output port of ram_0c symbol dataa_0[15..0] input port of mac symbol.
    result[33..0] output port of mac symbol OUTPUT pin out[33..0]

  5. Choose Save (File menu).


To continue the tutorial, proceed to Step 2: Make Node Connections.