Step 1: Draw Conduit Lines

To draw conduit lines between symbols and blocks, follow these steps:

  1. Click the Orthogonal Conduit Tool button on the toolbar.

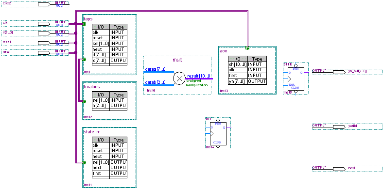
  2. Click the pinstub of the clk input pin to define the start of the conduit, and then drag the pointer to draw a line that connects to the border of the taps block. A "mapper" symbol appears automatically on the edge of the taps block where the conduit connects to the block. A mapper allows you to map I/O port(s) in the block to signal(s) in the conduit. Block mappers are discussed in greater detail later in this tutorial module.

  3. Show Me

    Bus line from clk Pin to taps Block

  4. Repeat steps 1 through 2 to make the additional connections between the symbols and blocks shown in the following table.

    NOTE To draw a line that connects a node, bus, or conduit to an existing node, bus, or conduit, you can choose the appropriate Orthogonal Node Tool, Orthogonal Bus Tool, or Orthogonal Conduit Tool button on the toolbar. When you draw a line that connects a node, bus, or conduit to an existing node, bus, or conduit, a connection "dot" appears.

    Draw Conduit From: To:
    INPUT pin clk taps block (already entered)
    Conduit connecting INPUT pin clk to taps block state_m block
    INPUT pin d[7..0] Conduit connecting taps block to state_m block
    INPUT pin reset Conduit connecting taps block to state_m block
    INPUT pin newt Conduit connecting taps block to state_m block
    taps block hvalues block
    Conduit connecting INPUT pin clk to taps block acc block
  5. Show Me

    Block Connections


To continue the tutorial, proceed to Step 2: View Conduit Properties.