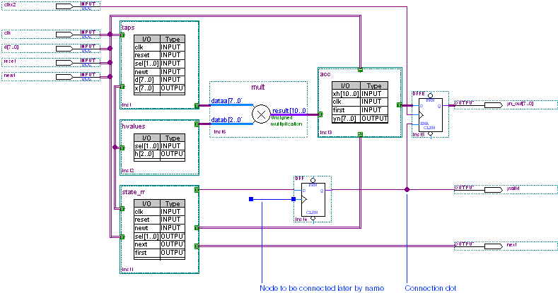
Step 5: Draw Node Lines

To draw the appropriate node lines, follow these steps:

  1. Click the Orthogonal Node Tool button on the toolbar.

  2. Draw a node line from the D input of the DFF symbol to the border of the state_m block.

  3. Repeat steps 1 through 2 to make the additional node connections shown in the following table:

  4. Draw Node From: To:
    D input of the DFF symbol border of the state_m block (already entered)
    Q output of DFF primitive OUTPUT pin yvalid
    INPUT pin clkx2 clock input of the DFFE primitive
    enable (ENA) input of the DFFE primitive Node connecting the Q output of the DFF primitive to the OUTPUT pin yvalid

  5. To create a node that can be connected by name, draw a line from the DFF symbol's clock input into an empty space. You can learn how to complete this node's connection by name later in this tutorial module.

  6. Show Me

    Node Connections

  7. Choose Save (File menu).


To continue the tutorial, proceed to Overview: Mapping Signals between Blocks.